
垂直振動提升機用于顆粒狀、塊狀、粉狀的固體物料(粘度不大)垂直提升,可對物料進行干燥、冷卻作業,分為敞開式、封閉式兩種結構,物料可向上輸送,也可向下輸送,占地面積小,便于工藝布置。
輸送量:3.5噸/時 提升高度:≤6米
全國統一銷售熱線
免費獲取報價
DZC垂直振動提升機采用振動電機作振動源,利用兩振動電機的合成振幅,將物料沿螺旋輸送槽向上輸送。DZC垂直輸送機主要用于提升顆粒狀、粉狀、塊狀物料。本輸送機結構簡單,維修容易,物料定量送出,輸送量連續可調,可作為各行業中,小顆粒物料的垂直輸送之用.除具有從下向上提升物料外,還可以完成對物料的干燥、冷卻作用。分開槽式、封閉式兩種結構,并可根據不同工藝的要求,設計物料顆粒分級作用的篩選提升機及設計易燃易爆物料的提升機。

1、干燥冷卻:提升機可加裝干燥冷卻裝置,使物料干燥冷卻。
2、分級功能:本機可根據不同行業和需求設計分級物料,甚至可燃物料。

垂直振動提升機用于垂直提升散裝固體物料,其中包括具有干、濕、溫、油膩和冷凍特性,除了從下往上提升物料外,它還可以干燥和冷卻物料,。可根據不同工藝的要求設計不同等級的物料顆粒篩分和易燃易爆物料的提升機,廣泛應用于礦山、冶金、機械、建材、化工、橡膠、醫藥、電力、糧食等行業。


1、除垂直提升物料外,還可以完成對物料的干燥、冷卻作用。
2、垂直提升高度可達6米,輸送量可達4噸/時。
3、物料可向上輸送,亦可向下輸送。
4、封閉式提升可有效的防止了粉塵和有害氣體對工作環境的污染。

DZC系列電機振動垂直提升機是由提升槽、振動電機、減振系統和底座等組成。該系列提升機是采用振動電機作為振動源,固定在提升槽上的兩臺相同型號的振動電機中心線交叉一定角度安裝,并做相反方向自同步旋轉,振動電機所帶的偏心塊在旋轉時各個瞬間位置所產生的離心力之分力沿拋擲方向作往復運動,使支承在減振器上的整個機體不停振動,使物料在提升槽內被拋起的同時向上運動,物料落入入料槽后,開始被拋起,此時可以使物料與空氣充分接觸,還可以起到散熱冷卻的作用。該提升機對粉狀、塊狀和短纖維狀的固體物料(有粘性和易結塊的除外)都可垂直輸送,還可以完成對物料的干燥、冷卻作用。分敞開式、封閉式兩種結構。并可按照用戶需要進行特殊設計。

| 型號 | 輸送量 (t/h) |
輸送槽直徑 (mm) |
輸送寬度 (mm) |
輸送高度 (m) |
振次 (min) |
雙振幅 (mm) |
電動功率 (kw) |
重量 (kg) |
| DZC300 | ~1.0 | 300 | 77 | ≤2.0 | 960 | 6~7 | 2×0.4 | 680 |
| DZC500 | ~2.0 | 500 | 140 | ≤3.0 | 6~8 | 2×0.75 | 1010 | |
| DZC550 | ~3.0 | 550 | 152 | ≤3.5 | 6~8 | 2×1.5 | 1190 | |
| DZC600 | ~3.0 | 600 | 163 | ≤4.0 | 6~7 | 2×1.5 | 13210 | |
| DZC800 | ~4.0 | 800 | 224 | ≤4.5 | 6~8 | 2×2.2 | 1590 | |
| DZC850 | ~4.0 | 850 | 224 | ≤5.0 | 6~9 | 2×2.2 | 1750 | |
| DZC900 | ~3.5 | 900 | 185 | ≤6.0 | 6~9 | 2×3.0 | 2100 |
DZ C □
┬ ┬ ┬
│ │ │
│ │ │
│ │ │
│ │ └───────────── 輸送槽直徑(mm)
│ │
│ └──────────────- 垂直
│
└──────────────── 電機振動
1、基本型(DZC--Z),為敞開輸送槽結構,用于一股物料無特殊要求的向上(或向下)輸送作業。
2、封閉型(DZC--ZF)為封閉輸送槽結構,用于對物料有防塵要求的場合向上(或向下)輸送作業。

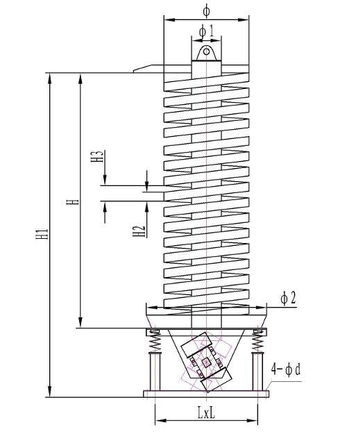
| 型號 | Φ | Φ1 | Φ2 | H | H1 | H2 | H3 | D | Lx8 | Ld×Bd | Φd |
| DZC300 | 300 | 146 | 500 | ~2000 | ~2750 | 40 | 75 | 270 | 680×680 | \ | 11 |
| DZC500 | 500 | 219 | 850 | ~3000 | ~4020 | 50 | 80 | 475 | 1080×1080 | 880×880 | 13 |
| DZC550 | 550 | 245 | 900 | ~3500 | ~4530 | 55 | 85 | 500 | 1100×1100 | 900×900 | 13 |
| DZC600 | 600 | 273 | 950 | ~4000 | ~5150 | 60 | 85 | 525 | 1100×1100 | 900×900 | 15 |
| DZC800 | 800 | 351 | 1200 | ~4500 | ~5650 | 60 | 90 | 650 | 1300×1300 | 1050×1050 | 15 |
| DZC850 | 850 | 402 | 1250 | ~5000 | ~6150 | 65 | 100 | 675 | 1400×1400 | 1150×1150 | 17 |
| DZC900 | 900 | 530 | 1300 | ~6000 | ~7180 | 65 | 110 | 700 | 1600×1600 | 1300×1300 | 17 |

1、安裝時應保證支撐管與水平垂直,其軸線不垂直度不大于總高的2/1000;
2、垂直振動提升機一般在室內使用;
3、地角螺釘固定,接地保護;
4、垂直提升機不允許與周圍物件有連接,并留有一定的活動間隙,以防影響或振動產生噪音。
相關產品: GTD、GTH高效斗式提升機 、 TB系列垂直斗式提升機、TG系列鋼芯膠帶斗式提升機
Copyright ? 2008-2019螺旋輸送機廠家-新鄉市大漢振動機械有限公司 All Rights Reserved 版權所有
網站備案號:豫ICP備09002479號-47

